施工事例
爆発放散口 エクスプロージョンベント 静岡県 清水区
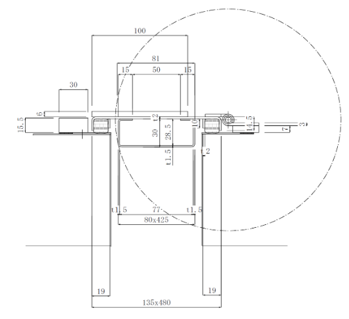
- 施工設備
- 防爆設備
- 施工場所
- 工場
- 工期
お客様の課題
爆発放散口の必用性の有無の検証から始まり、現在の容器圧力に対する爆発時の解放の機構の設計を弊社自ら行います。
専門業者も多く見られますが、専用ラッチェや簡単な機構で爆発放散口を設計 設置いたします。
海外のものが多い中で、自社内ですべて完結するこのが可能です。
施工の流れ
爆発粉体など内容物の確認を行います。粉塵爆発試験などを行い最大爆発圧力を算定し、最大圧力上昇速度を確認し、設置の検討を行います。その結果、爆発放散口の設置の必用性が生まれれば、個別の放散口を設計し取り付けまでのお見積り、工程表などを製作しご提示します。その後施工を行います。
施工効果
安全な環境が生まれます。爆発時の損傷を最大限抑えます。爆発は起きては困りますが、静電気の発生、危険物の混入などで、
不用意に爆発する場合があります。そんな危機から損傷を最小限に抑えられます。近隣にも被害が及ぶことを防止できます。
お問い合わせ・ご相談は、
お電話またはメールフォームより
承ります。Contact
0544-23-0835
0544-24-1957
0544-23-0835